60532.1 - MAGNETICKÁ ZÁKLADNA


Cena:
Prodejní cena487,07 Kč bez DPH
Skladem:
Na skladě

Popis

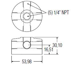
3/4" magnetická základna

permanentní magnet v pochromovaném ocelovém plášti s přípojkou 60533.1 umožňující připojení segmentů 69541.1