Popis
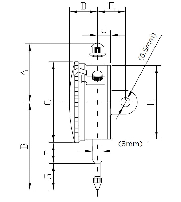
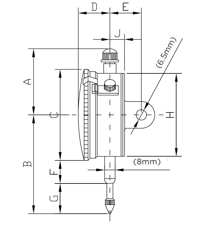
Rozsah 30 mm, dělení 0,01 mm, odchylka 1 mm, odečítání 0-50-0, přesnost ±0,035 mm
Vlastnosti:
Průměr ciferníku 58 mm
Dobře čitelná stupnice
8S kameny
Značkovač tolerance
Výměnný kryt s ouškem
Otáčkoměr
Průměr dříku 8 mm
Základní příslušenství
Výměnný kryt s ouškem
Záruční list, návod k použití, kalibrační certifikát
Balení: pěnový obal
Vlastnosti:
Průměr ciferníku 58 mm
Dobře čitelná stupnice
8S kameny
Značkovač tolerance
Výměnný kryt s ouškem
Otáčkoměr
Průměr dříku 8 mm
Základní příslušenství
Výměnný kryt s ouškem
Záruční list, návod k použití, kalibrační certifikát
Balení: pěnový obal
| VELIKOST | A | B | C | D | E | F | G | H | J |
|---|---|---|---|---|---|---|---|---|---|
| [mm] | [mm] | [mm] | [mm] | [mm] | [mm] | [mm] | [mm] | [mm] | [mm] |
| 30 | 37,5 | 80,5 | 58 | 16,3 | 19,4 | 17,5 | 34 | 53,5 | 8,4 |


