Popis
Rozsah 3 mm, dělení 0,01 mm, odchylka 1 mm, odečítání 0-100, přesnost ±0,014 mm
Vlastnosti:
Průměr ciferníku 58 mm
Dobře čitelná stupnice
S kameny
Značkovač tolerance
Výměnný kryt s ouškem
Otáčkoměr
Průměr dříku 8 mm
Základní příslušenství
Výměnný kryt s ouškem
Záruční list, návod k použití, kalibrační certifikát
Balení: pěnový obal
Vlastnosti:
Průměr ciferníku 58 mm
Dobře čitelná stupnice
S kameny
Značkovač tolerance
Výměnný kryt s ouškem
Otáčkoměr
Průměr dříku 8 mm
Základní příslušenství
Výměnný kryt s ouškem
Záruční list, návod k použití, kalibrační certifikát
Balení: pěnový obal
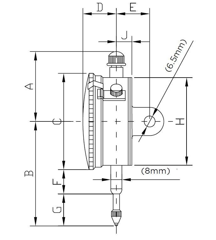
| VELIKOST | A | B | C | D | E | F | G | H | J |
|---|---|---|---|---|---|---|---|---|---|
| [mm] | [mm] | [mm] | [mm] | [mm] | [mm] | [mm] | [mm] | [mm] | [mm] |
| 3 | 43,7 | 68,5 | 58 | 16,3 | 19 | 18,3 | 15 | 53,5 | 8,1 |


