Popis
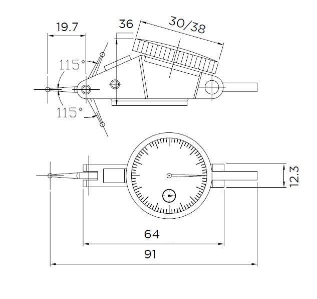
Rozsah 0,4 mm,průměr ciferníku 38 mm, dělení 0,002 mm, odečítání 0-100-0, přesnost ±0,006 mm
Vlastnosti:
Usazení v kamenech, odolné magnetickému poli
S upínkou dia 4 mm
TK dotek otočný v rozsahu 210°
Základní příslušenství
Klíč
Záruční list, návod k použití, kalibrační certifikát
Balení: plastové pouzdro
Vlastnosti:
Usazení v kamenech, odolné magnetickému poli
S upínkou dia 4 mm
TK dotek otočný v rozsahu 210°
Základní příslušenství
Klíč
Záruční list, návod k použití, kalibrační certifikát
Balení: plastové pouzdro


